Горячая линия национальной службы:
+86-372-2595077/2595078/2595088
Назначение:
Эта серия продуктов представляет собой электромеханическое преобразовательное устройство, используемое в электрогидравлической пропорциональной системе управления постоянным током 12V / 24V в сочетании с усилителем пропорционального управления, в сочетании с нагрузочным чувствительным мультиплексным клапаном типа HAWE. В пределах номинального хода и номинального диапазона тока выходная сила и смещение пропорциональны входному току, выходная сила остается неизменной в номинальном ходу, входной ток регулируется бесступенчато в номинальном диапазоне, может быть реализована бесступенчатая регулировка скорости, переключение и дистанционное управление исполнительным механизмом гидравлической системы в номинальном диапазоне.
Основные технические параметры
| Тип | DP2539 - 3 - A Ампер | |
| Номинальное напряжение (V) | 24 Вт | Двенадцать вольт. |
| Применимая температура окружающей среды (°C) | - 30 ~ + 60 | |
| Эффективный маршрут (mm) | 1 | |
| Полный маршрут (mm) | > 1.1 | |
| Рекомендуется использовать диапазон маршрутов (mm) | 0,2 ~ 0,8 | |
| Номинальная всасывающая сила (N) | 15 | |
| Кольцо гистерезиса (%) | 8 | |
| Кольцо торможения тока (%) | 8 | |
| Номинальный ток (A) | 0.58 | 1.16 |
| Максимальный ток (А) | 0.85 | 1.7 |
| Номинальное сопротивление 20°C (омега) | 28 | 7 |
| Номинальная мощность (W) | 9.4 | 9.4 |
| Максимальная мощность (W) | 20.6 | 20.6 |
| Класс защиты | МП66 | |
стационарная характеристика хода - силы
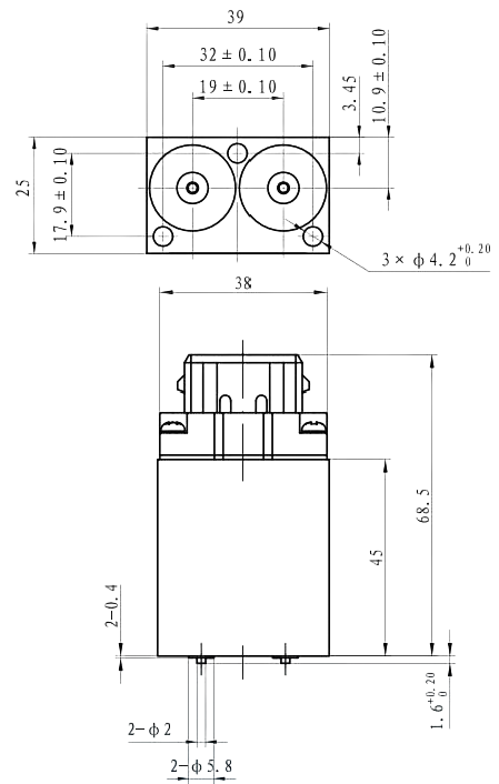
Внешний вид и размеры установки

Внимание при использовании
• Стандарт вилки электромагнита: 282192 - 1.
• Между электрической системой управления и соединительной частью электромагнита должно быть устройство защиты от перенапряжения, чтобы избежать сжигания электромагнита и ваших элементов управления в ненормальных условиях.
· Рабочими средами гидравлической системы являются минеральные масла, фосфатные липиды.
Электромагниты работают непрерывно.
Описание выборки
• Для случаев применения, превышающих требования настоящего образца, обратитесь к Компании.
• Характеристики только для справочных целей.
Основные параметры характеристик получены в лабораторных условиях. Компания оставляет за собой право изменять параметры.
Chinese
English
Русский
Español